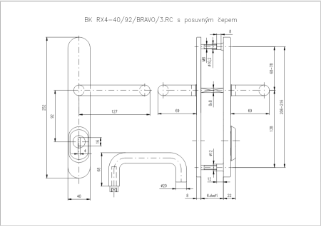
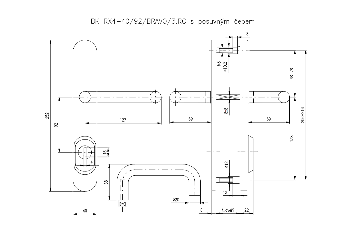
Sicherheitsbeschläge ROSTEX RX4-40 BRAVO
Sicherheitsbeschläge ROSTEX RX4-40 BRAVO
Beschreibung
Türstärke: 66-75 mm
Sicherheitsbeschläge sind für Eingangstüren konzipiert, die sich nach innen und außen öffnen lassen.
Der Einsatz darf außen nicht mehr als 15,5 mm über die Türoberfläche hinausragen.
Schildbreite 40 mm.
Zertifiziert für Feuerbeständigkeit
Rückstellmechanismus (Rückstellfeder)
Parameter
| Andere Parameter | Matte Oberfläche, Sicherheitsklasse 3 |
|---|---|
| Abstand | 92 mm |
| Türgriff Typ 1 | Schilde |
| Türgriff Typ 2 | Sicherheit |
| Design | Modern |
| Material | Edelstahl |
| Schild-/Rosettenform | Oval |
| Marke | ROSTEX |
| Typy kování [DE] | Clique-Clique |
| Oberflächenbehandlung | ROSTEX Edelstahl matt |
| Lochtyp | Loch für Zylindereinsatz PZ |



















































