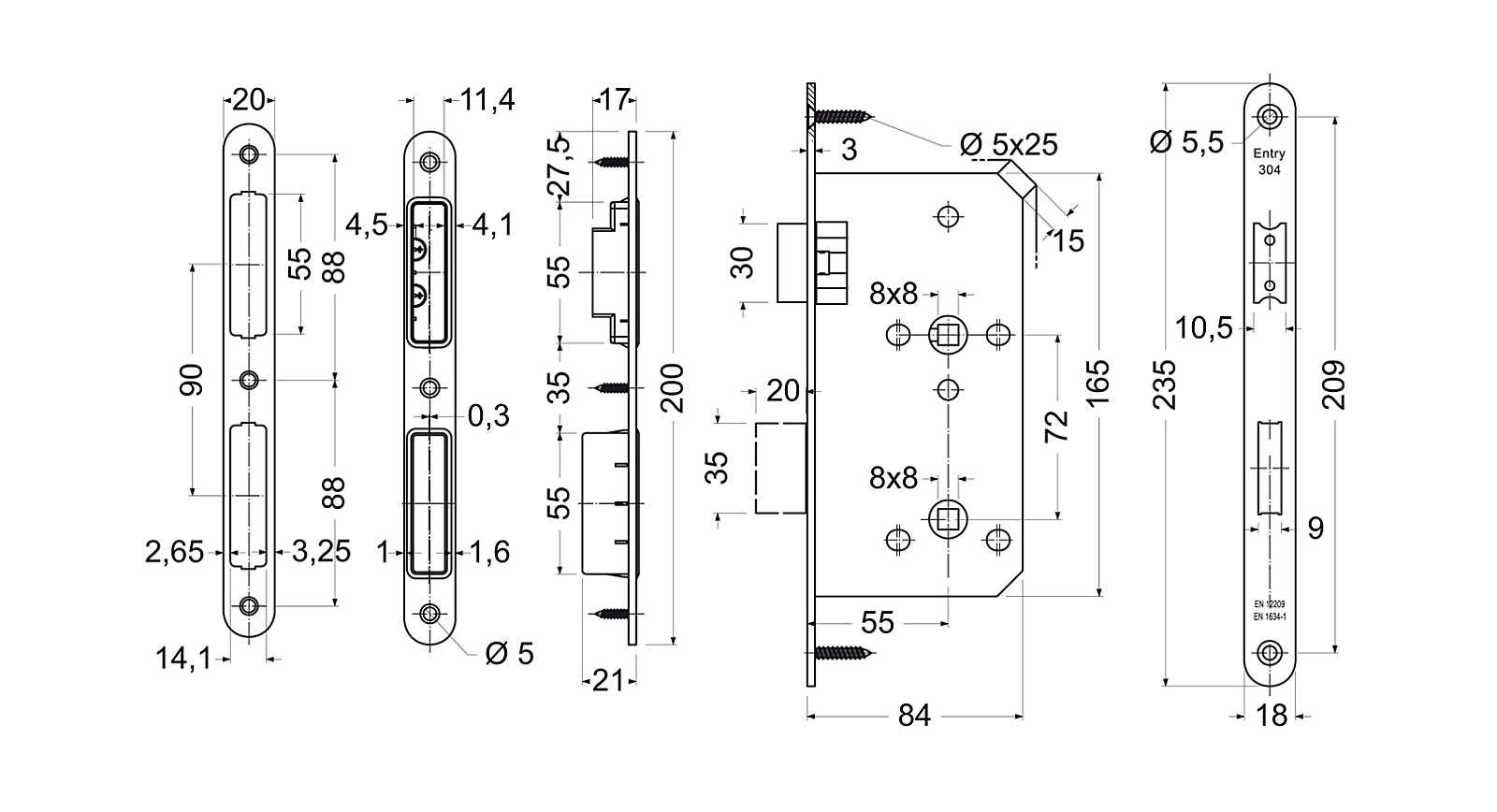
Robustes magnetisches Einsteckschloss RICHTER EN.304M.WC.72.55.18
Robustes magnetisches Einsteckschloss RICHTER EN.304M.WC.72.55.18
                        Katze. Nummer:
                        0205-40333
                    
                Beschreibung
Robustes magnetisches Einsteckschloss für WC KLIČKA
- Riegel und Riegel des Schlosses trennen
- Mutter mit Sicherungsfeder, quadratisch
- Zwei-Wege-Tor
- Verpackung inkl. 5 Schrauben und 1 verstellbare Gegenplatte
- Nettogewicht: 0,67 kg
- Vorderseite: Edelstahl (N)
Parameter
| Türgriff Typ 1 | Zadlabací zámek | 
|---|---|
| Türgriff Typ 2 | Tür | 
| Marke | RICHTER | 
| Oberflächenbehandlung - Variante | Richter Silber | 
| Lochtyp - Variante | WC-Schlüssel | 
| Garantie | 2 Jahre | 

















































 
                    
